zurück


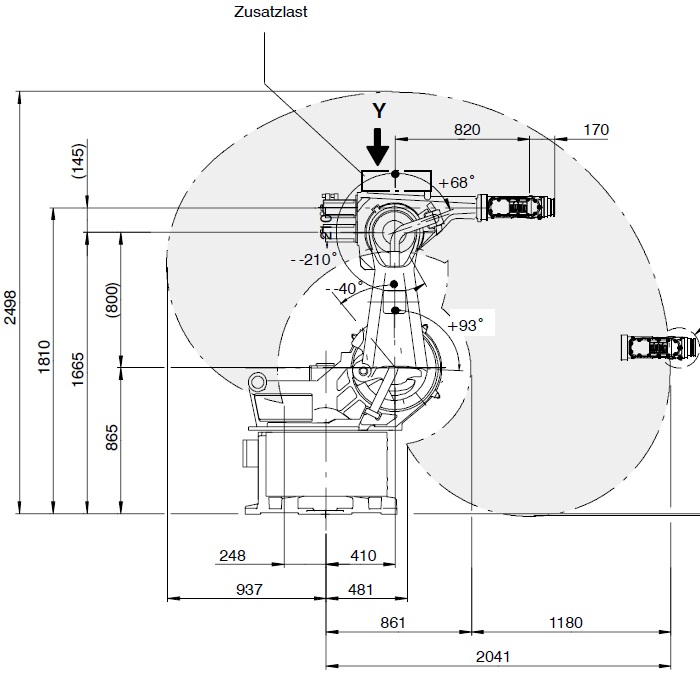
Arbeitsbereich KUKA KR45-2